N-Bahn.Net


[ Zurück ]

Normentwurf Wattenscheider Signalschacht für Spur-N

zusammengestellt von Dirk Lübeck, 15.5.2024

Diese Seite enthält Festlegungen für Bau und Verwendung von Signalen in Wattenscheider Schächten für Spur N. Sinn und Zweck dieser Schächte wird als bekannt vorausgesetzt und hier nicht weiter erklärt. Etwa seit dem Jahre 2010 werden bei N-RE die Schächte verwendet, obwohl es bisher (Stand April 2024) keine an zentraler Stelle nachlesbare Normierung gibt.

Ganz bewusst wird sich hier auf die unbedingt notwendigen Maße beschränkt, damit jeder Signalträger in jeden Schacht passt und dort arretiert werden kann. Welches Material und welche Bautechnik letztendlich verwendet wird, ist zweitrangig, und ist nicht Gegenstand der vorgeschlagenen Norm.

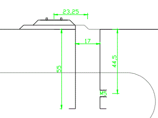
Signalschacht

Auf der Zeichnung wird angenommen, dass sich an der Stelle, wo sich der Schacht befindet, neben den Gleis eine halbwegs ebene Landschaft befindet. Die graue Linie deutet lediglich den Verlauf laut ebenen Kopfprofil (F1: Flachprofil eingleisig, ähnlich FREMO "N90") an. Angestrebt werden sollte eine gänzlich ebene Schachtoberseite. Sind anderen Formen (Hang, Damm, Einschnitt, etc.) nötig oder gewollt. muss ggf. die Oberseite des Schachts der Landschaft angepasst werden. Die angegebenen Maße gelten dann sinngemäß. Die Zeichnung unten steht auch als PDF zur Verfügung.

Entscheidend dafür, wie der Signalschacht ausgeführt werden muss, sind lediglich 3 Angaben:

  • Der Abstand Mitte vom Gleis zu Mitte des Schachts. Der krumme Wert ist historisch bedingt. Angedacht ist, dass der Schacht außerhalb des Schotterbettes liegt. Natürlich muss das nicht auf den Zehntel-Millimeter stimmen.
  • Die lichte Weite des Schachts, damit sich jeder Signalträger einschieben lässt.
  • Die Position der Klemmschraube, denn danach richtet sich, an welcher Stelle der Signalträger ausreichend druckfest sein muss. Empfohlen wird eine M5-Nylon-Schraube. Diese befindet sich auf der dem Gleis abgewandten Seite, zeigt also Richtung Modulseitenwand.

In der Zeichnung ist keine Wandstärke für den Schacht angegeben, denn diese hängt von der Bauform des Schachts ab. Es ist darauf zu achten, dass für die Klemmschraube genügend Gänge zur Verfügung stehen. Bei dünnen Wänden muss ggf. an dieser Stelle aufgedickt werden. Der Schacht darf natürlich auch länger als die angegebenen 55 mm sein.

Signalträger

Die einzige Vorgabe für den Signalträger ist, dass er in den Schacht passen muss und an bezeichneter Stelle mit der Klemmschraube arretiert werden kann. Dort muss dort also ausreichend Stabilität vorhanden sein und es dürfen sich keine elektrischen oder mechanischen Einbauten befinden.

Best Practices

Die meisten bereits existierenden Signalschächte verwenden ein in jedem gut sortierten Baumarkt erhältliches Alu-Vierkantrohr mit den Außenmaßen von 20x20 mm und einer Wandstärke von 1,5 mm. Dieses Rohr war ursprünglich auch die Basis für Normierung des Schachts (Achtung: Unter Umständen vertreiben die Baumärkte leicht unterschiedliche Vierkantrohre. Nachmessen!). Es sind jedoch auch andere Materialien und Bauformen erlaubt, bis hin zu 3D-Drucken.

Die Klemmschraube muss in einem ausreichend langem Gewinde laufen. Die 1,5 mm Wandstärke vom Baumarkt-Rohr könnte zu wenig sein. Es muss dann in geeigneter Weise aufgedickt werden. Empfohlen wird eine M5-Nylon-Schraube ausreichender Länge. Der Kopf einer normalen Schraube ist als Griff bereits ausreichend, da die Anzugskraft sehr gering bleiben kann.

Da Schächte bereits seit einigen Jahren verbaut werden, ohne dass eine "offizielle" Norm gab, finden sich jetzt auch bereits Schächte mit der Klemmschraube auf der anderen Seite, bzw. Signalträger, die diese Schraube auf der anderen Seite "erwarten". Elvis Müller schlägt deshalb vor, bei neuen Schächten auf beiden Seiten ein Gewinde vorzusehen, eventuell sogar an allen vier Seiten. Es braucht natürlich dabei nur eine einzige Schraube in einer der Positionen.

Bei Nichtbenutzung sollte im Schacht ein an die Umgebung angepasster Stopfen sitzen, der den Schacht "wegtarnt". Auch andere Tarnungen, wie etwa ein Podest mit Fernsprecheinrichtung, sind denkbar.

Es wird empfohlen, den Träger nicht größer als 16,5x16,5 mm im Querschnitt zu wählen, um ein wenig Luft zu haben, falls sich Leim- oder Farbreste unbemerkt im Schacht angesammelt haben. Wird der Querschnitt auf diese Weise maximal ausgenutzt, sollten die Kanten des Trägers leicht gerundet werden, weil auch die inneren Ecken des Schachts unter Umständen nicht ganz scharfkantig sind. Das Signal muss nicht mittig auf dem Träger angeordnet sein, versetzt geht auch (z.B. in Richtung Gleis, vorbildgerecht bei Lichtsignalen).

Je nach Geländeform kann es passieren, dass die Seitenwände im oberen Teil des Signalträgers sichtbar sind. Hier sollte man eine passende Gestaltung wählen (Betonfläche, Mauerwerk ö.A.).

Eine Norm für die elektrische Ansteuerung eines Signals gibt es übrigens nicht.


Bild 1 Formsignal auf einem Modul von Dirk Splitt


Bild 2 Träger für Haupt- und Vorsignal und komplexer Ansteuerung von Klaus Rilling


Bild 3 Gedruckter Schacht von Andreas Wassatsch


Bild 4 Gedruckter Signalträger und Schacht von Andreas Wassatsch


Bild 5 Modifizierter Schacht von Sarah Schmitz


Bild 6 Schmaler Signalträger von Sarah Schmitz


Bild 7 Formsignal von Dirk Lübeck


Bild 8 Schacht aus Alu-Vierkantrohr und Verdickung für Gewinde von Dirk Lübeck


Bild 9 Verschiedene Signalträger und Blindstopfen von Elvis Müller


Bild 10 Lichtsignal von Elvis Müller im Betrieb

Historisches

Es muss wohl etwa das Jahr 2010 gewesen sein, als der inzwischen leider verstorbene Jens Schmidt auf dem Treffen in Hanau Groß-Auheim seine Idee vorstellte, wie man den aus dem H0-Bereich des FREMOs bekannten Wattenscheider Schacht für Spur-N adaptieren könnte. Er hatte bereits ein kurzes Streckenmodul mit Schacht dabei, außerdem eine Anzahl, im Baumark erhältlicher, schon abgelängter Alu-Vierkant-Rohre, die er als Basis verwendet hatte. Die Idee stieß auf reges Interesse. Er wurde aufgefordert, mal eine Maßskizze zu erstellen, damit man daraus eine Norm entwickeln kann. Hat er leider nicht gemacht.

Eine erste konkrete Zeichnung veröffentlichte Sarah Schmitz 2016 auf ihrer damaligen Homepage. Allerdings hatte sie das Prinzip leicht verändert für einen schmaleren Signalträger, der bei mehrgleisiger Streckenführung zwischen die Gleise passen würde. Der Signalträger (ein ebenfalls im Baumarkt erhältliches U-Profil von 16,5x10 mm) wurde dabei durch eine separate Druckplatte im Inneren des Schachts von der Klemmschraube gehalten. Diese Bauform wäre nur praktikabel für Lichtsignale. Sie hat sich nicht durchgesetzt.

Zwischen 2017 und 2019 entwickelten einige Leute ein umfangreiches Dokument über Bau und Verwendung von Signalschächten, deren Anordnung in ein- bis viergleisigen Strecken unter Berücksichtigung einer Oberleitung und die Darstellung in Modulzeichnungen. Das Dokument geht also weit über die eigentliche Norm des Signalschachts hinaus. Leider wird sich dort explizit auf das Alu-Vierkantrohr als Schacht bezogen, unglücklicherweise auch noch mit einer falschen Wandstärke von 2 mm, was somit ein falsches Innenmaß von 16x16 mm ergab. Es hieß, dass die erworbenen Rohre die falsche Wandstärke aufgedruckt hatten, was ohne Überprüfung in das Dokument übernommen wurde. Dieses, prinzipiell gut als Norm geeignete Dokument, wird bis heute (April 2024) als nicht endgültig betrachtet.

Wattenscheid-N-V1.0-2.pdf von Sara Schmitz, 2016
Zeichnung Wattenscheider als PDF, Dirk Lübeck, 2024